増田さんよりオーディオアナライザをお借りする事ができました。早速、ラインアンプを使用してLNR有り無しの歪み率を計測しました。以下にグラフを示します。測定周波数は1KHzです。

結果は出力電圧の低い領域で、LNRありの方が歪みが少なくなっています。これ以上低い電圧での測定はできませんでした。オーディオアナライザの限界と思われます。このラインアンプでは出力にトランスを使用している関係で、プレートに発生している振幅の1/6の電圧が出力されます。よって、直接プレートで計測すればもう少し低いレベルまで測定できると思います。測定に使用したラインアンプのプレート部分は構造上当たるのが難しい為、何らかの方法を検討中です。ただこのグラフで歪み率の低下が見られる部分は1V以下のレベルで、聴感上の劇的な変化につながるとは思えません。歪み成分の変化などが介在している可能性があると思います。その辺の事に関しては今後測定方法も含め検討をしていきます。
使用測定器:MEGURO MAK−6581
オーディオアナライザをお貸しいただいた増田さんにこの場を借りてお礼を申し上げます。
1998/08/28
Ep−Ip特性に関して、もう少し先とのリクエストに答えて再度データを取りました。バイアス−1.5Vの時のLNR付きとLNR無しの状態を切り替えてデータを取りました。まずはグラフを見てください。


グラフ1は計測した全データをグラフ化したものです。LNR付きと無しではグラフに差が生じています。傾向は前回掲載したEp−Ip特性と同じような傾向です。同じ電流の時の電圧を比較すると、2極管接続部分の電圧降下による電圧分だけ低い電圧となっています。グラフ2はプレート電圧60V以上のデータだけ限定して表示しています。
2本の曲線の差ですが、電流を流すに従い開いて行くように見えます。今回のグラフは見やすくするため方眼紙のような桝目を付けました。いかがでしょうか。
今後のデータ取りですが、あと2,3例ほどバイアス電圧を変えて計測します。その後、歪みの計測を行ってみるつもりです。それから一つ質問ですが、増幅率を計測しようとした場合グラフ(増幅率)が波打つのはなぜですか。あの後、3例ほどデータを取ったのですが一様に波打っています。いろいろ精度を上げる工夫をしたのですがだめでした。計測中にテスターの数値がふらつく事はありません。計測方法が悪いのか、それとも本当に波打っているのかどちらでしょう。
1998/07/08
仕事の方もようやく一段落しそうです。データ取りも引き続き続けています。Ep−Ip特性ですが、まずは見てください。

バイアス−0.5V単位で一通り取りました。そのうちの−1.5Vのグラフを示します。一目で同じような傾向としか言えません。LNRありのグラフが少しずれているのは、2極管接続したユニットによるずれです。ただ、2乗特性はどこまでいっても2乗特性のはずで、電圧の高い部分を拡大したグラフを付けました。微妙すぎて目視では良く分かりません。こんな事もあって、前に示したような増幅率を取ってみる事にしました。又、宇多さんからのアドバイスもあり、大振幅ではなく小振幅のデータを取っています。今のところ、どのようにデータ取りしても増幅率が波打つ傾向が残ります。近似線で見ると違う傾向を示しますが、もう少し安定したデータが得られればはっきりすると思います。増幅率が波打つ原因も含めて更にデータ取りを進めます。
1998/7/2
仕事が忙しくほとんどHPの面倒を見る暇が有りませんでした。背に腹は変えられないゆえ勘弁してください。そんな中でも毎晩少しずつLNRと通常の回路の動作の違いのデータ取りを行いました。どんな形にしろ電源との間に余計なものが入っているのですから何か違いが出ると思いいろいろデータを集めました。ここでデータを掲載します。
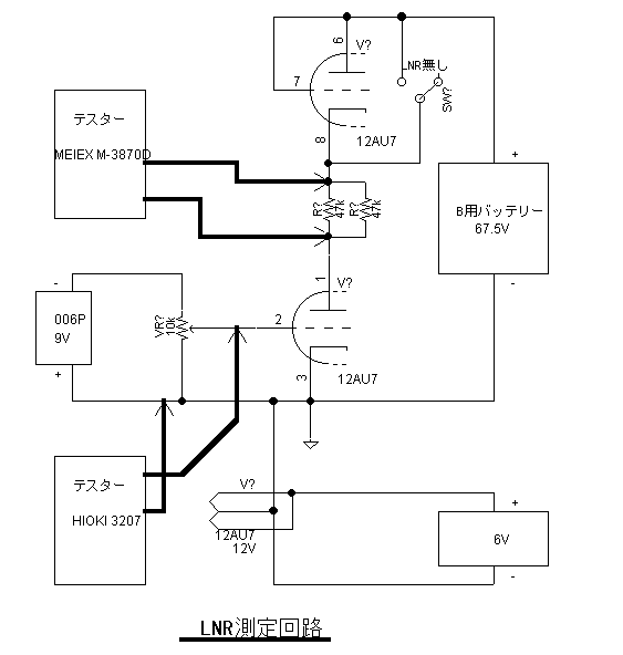
歪み率計が使用できれば良いのですが、自宅の物、仲間のものも含めダウンしていて使用できませんでした。そこで、12AU7を使用して1段アンプを作りDCで入出力特性を測定しました。LNRが予測道理のものならDCで測定しても違いが出るはずです。以下に測定回路を示します。

DCでの測定は意外と不安定で、試行錯誤の結果バッテリーを使用した回路になりました。しかし、微少な変化に対する増幅率を測定すると波を打ったようなグラフとなります。最初AC電源を使用している為と思ったのですがバッテリーに変えても波打っています。仕方ないので、Excelのグラフ機能の近似線を使用して傾向を見ました。以下にグラフを示します。グラフ1は測定の生データでグリッド電圧を−3Vから−3.5Vまで0.05V単位で変化させた時の負荷抵抗の両端の電圧です。グラフ2は生データの差分を増幅率として計算した結果をグラフ化したものです。グラフ3は出力電圧と増幅率をグラフ化したものです。

グラフ2
出力が不安定でグラフは波打ってしまいました。バッテリーを使用してもこの様な状態です。測定の方法に何か問題があるかもしれません。しかし同じような実験を4度ほど行いましたがグラフの傾向は一緒でした。又、大振幅に相当する実験では違いと思われる差は出ませんでした。更に精度を上げた実験を今後行っていく予定です。